Единый информационный центр (3952) 560-500
ЗНСЗ-4-5 (087) Замок накладной с завёрткой, 5кл, "СЕНАТ" (6)
3 800.00 рублей
В наличии на складе
Отсутсвует на складе

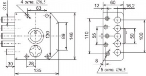
Замок накладной сувальдный с задвижкой. Предназначен для установки на металлические двери. Замок имеет засов из четырех цилиндрических ригелей диаметром 18 мм, с максимальным вылетом 40 мм, и задвижку диаметром 18 мм с вылетом 30 мм. Удаление ключевого отверстия - 64 мм. Количество полуоборотов ключа - 4. Габариты замка - 135х146х32,5 мм. При закрытом на задвижку замке использование ключей с наружной стороны невозможно. Защита от вскрытия замка отмычкой, защита от высверливания стойки ригеля и защита от вскрытия методом проворота.
Характеристики
Тип продукта
Ключ-вертушка
Торговая марка
Сенат
Количество ключей
5 шт.
Цвет
AC (медь)
Назначение
Для металлических дверей
Тип механизма
Сувальдный

Добавить в корзину